Contactor DC HCF20 – Giải pháp đóng cắt 20A hiệu quả và an toàn cho hệ thống điện một chiều
1. Giới thiệu chung
HCF20 là dòng contactor DC 20A được sản xuất bởi Zhejiang Hecheng Smart Electric Co., Ltd. (Hiitio) – thương hiệu nổi tiếng chuyên về thiết bị đóng cắt và relay công nghiệp chất lượng cao.
Với thiết kế nhỏ gọn, nhẹ, khả năng hoạt động ổn định ở môi trường lên đến 85°C, và công nghệ dập hồ quang bằng nam châm vĩnh cửu, HCF20 mang lại độ an toàn, độ tin cậy cao cho các ứng dụng DC bus, hệ thống pin, năng lượng mặt trời, xe điện và công nghiệp tự động hóa.
2. Đặc điểm nổi bật
-
-
Kích thước nhỏ gọn – trọng lượng chỉ ~55g, dễ dàng lắp đặt trong không gian hạn chế.
-
Chịu dòng 20A liên tục ở 85°C, phù hợp cho hệ thống DC công suất trung bình.
-
Công nghệ dập hồ quang bằng nam châm vĩnh cửu, giúp đóng cắt an toàn, không phát sinh hồ quang.
-
Tuổi thọ điện cao, đạt tới 75.000 lần thao tác ở 450–800VDC (chế độ chỉ đóng).
-
Độ bền cơ học đến 200.000 chu kỳ, đảm bảo vận hành ổn định lâu dài.
-
Chống rung, chống sốc tốt – đáp ứng môi trường rung động mạnh.
-
Tuân thủ RoHS và REACH, thân thiện môi trường.
-
3. Ứng dụng điển hình
HCF20 được thiết kế tối ưu cho các ứng dụng đóng cắt điện áp DC cao và dòng tải trung bình, bao gồm:
-
-
Hệ thống Battery Pack, BMS, ESS
-
Bộ chuyển đổi năng lượng mặt trời (Solar Inverter)
-
Xe điện (EV) và trạm sạc
-
Hệ thống tự động hóa công nghiệp, UPS, DC Distribution Panel
-
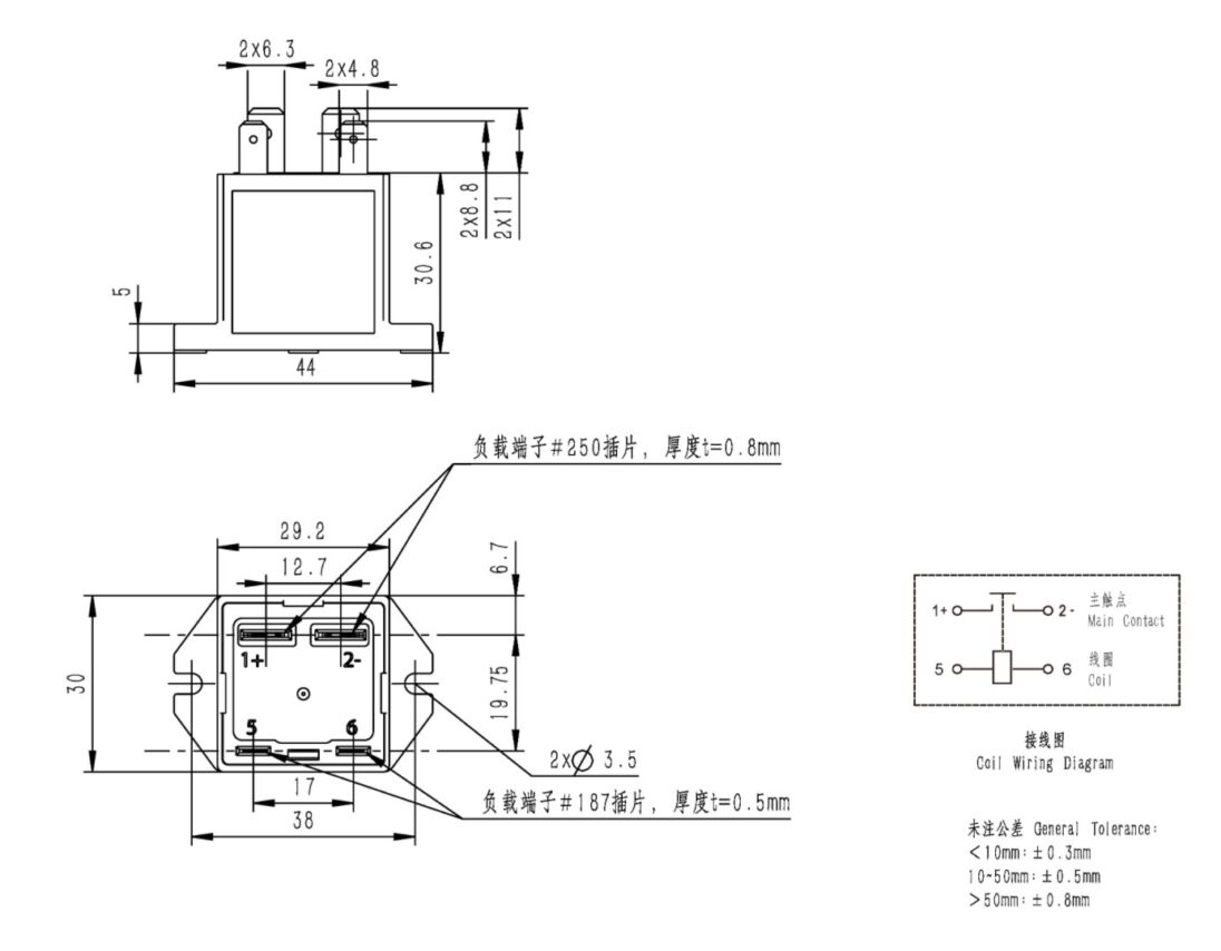
4. Thông số kỹ thuật chính
| Thông số | Giá trị |
|---|---|
| Điện áp làm việc tối đa | 800VDC |
| Dòng định mức | 20A |
| Dạng tiếp điểm | 1NO (SPST-NO) |
| Sụt áp tiếp điểm | ≤0.3V (tại 20A) |
| Dòng chịu ngắn hạn | 40A/30min; 80A/30s; 120A/10s |
| Điện áp cuộn coil | 12VDC / 24VDC |
| Công suất cuộn coil | ≈3W |
| Điện trở cách điện (ban đầu) | ≥1000MΩ (500VDC) |
| Độ bền điện môi (giữa tiếp điểm và cuộn coil) | ≥3000VAC (1 phút) |
| Thời gian hút / nhả | ≤30ms / ≤10ms |
| Nhiệt độ môi trường làm việc | -40°C ~ +85°C |
| Trọng lượng | Khoảng 55g |
5. Hướng dẫn sử dụng và lắp đặt
-
-
Tránh lắp đặt gần nguồn nhiễu từ hoặc vật tỏa nhiệt.
-
Sử dụng dây dẫn ≥4 mm² để tránh hiện tượng phát nhiệt ở đầu cực.
-
Với tải cảm, nên song song mạch dập xung để bảo vệ tiếp điểm.
-
Khi dùng với tải dung (tụ điện), cần mạch tiền nạp (pre-charge) để hạn chế hồ quang.
-
Momen siết vít lắp đặt: 0.8 ~ 1.0 N·m với vít M3.
-
Đảm bảo tuân thủ hướng dẫn đấu nối theo sơ đồ do nhà sản xuất cung cấp.
-
6. Lợi ích khi chọn HCF20
-
-
Đảm bảo an toàn vận hành DC, không phát sinh hồ quang.
-
Tối ưu không gian nhờ kích thước nhỏ.
-
Hoạt động bền bỉ trong môi trường khắc nghiệt -40 ~ 85°C.
-
Giải pháp chi phí hợp lý cho các ứng dụng DC 450–800V.
-
7. Thông tin đặt hàng
| Mã sản phẩm đầy đủ | Mô tả |
|---|---|
| HCF20-450HQ3U | 20A – 450VDC – cuộn coil QC 12/24VDC – kiểu chân cắm QC – có chân gắn U |
| HCF20-800HQ3U | 20A – 800VDC – cuộn coil QC 12/24VDC – kiểu chân cắm QC – có chân gắn U |
| HCF20-450HP4B | 20A – 450VDC – cuộn coil PCB – kiểu chân PCB – không chân gắn |
| HCF20-800HP4B | 20A – 800VDC – cuộn coil PCB – kiểu chân PCB – không chân gắn |


8. Kết luận
Contactor DC HCF20 là lựa chọn lý tưởng cho các ứng dụng DC 20A, đòi hỏi an toàn cao, hiệu suất ổn định và tuổi thọ lâu dài.
Sản phẩm được KMET phân phối chính hãng tại Việt Nam, đảm bảo chứng nhận chất lượng, dịch vụ kỹ thuật hỗ trợ và giá cạnh tranh nhất.
